Eu-pallen är kärnpunkten i hundsängen och sedan byggs alla andra delar på EU-pallen. Först måste du slipa pallen med till exempel en 
För att bygga hundbädden behöver du först och främt en EU-pall och träskivor som kommer att agera väggar. Du kan få de rektangulära bitarna utskurna från en större MDF-skiva genom vår 


| Nr. | Komponent | Antal | Plywood 8mm | 
| A | Bottenplatta för lådor | 2 | 382x800mm | 
| B | Bottenplatta för EU-pall | 1 | 1200x800mm | 

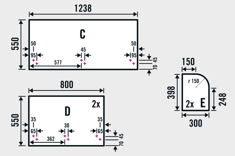
| Nr. | Komponent | Antal | 3 MDF-skiva 19mm | 
| C | Bakvägg | 1 | 1238x550mm | 
| D | Sidovägg | 2 | 800x550mm | 
| E | Frontvägg | 2 | 300x398mm | 

| Nr. | Komponent | Antal | 3 MDF-skiva 19mm | 
| F | Bottenplatta | 4 | 378x332mm | 
| G | Frontpanel | 4 | 100x430mm | 
| H | Bakpanel | 4 | 90x370mm | 
| I | Sidopanel | 8 | 378x90mm | 
Slipa pallen
Rita kvartscirklar
Ett kvartscirkel sågas av på de två sidstyckena (E). Om du har en hink eller skål med en diameter på 300mm till hands kan du enkelt använda denna för att skapa mallen.
Fäst bottenplattan på en pall
Bottenplattan (B) av plywood limmas på pallens ovansida. För att göra detta, applicera limmet på pallen och placera bottenplattan ovanpå den.
Lim kan appliceras direkt från tuben för mindre ytor. För större applikationer bör du använda en plastspatel. Järnhaltiga verktyg bör inte användas för detta ändamål på grund av eventuell missfärgning.
Torka bort eventuellt utspillt lim direkt
Så länge limmet fortfarande är fuktigt kan det enkelt torkas av med en trasa. Så torka bort eventuellt utspillt lim från de ställen där det inte hör hemma, helst direkt.
Skruva fast vinkeljärn på sidoväggarna
Två 
Fäst bakväggen
Applicera lim på lämpliga delar av pallen, som till exempel på kortsidorna av sidoväggarna. Skruva fast bakpanelen genom vinkeljärnen som sitter på sidoväggarna. Se till att kanterna är i jämnhöjd med varandra vid övergångarna mellan sidoväggarna och bakväggen.
Fäst frontväggarna
Fäst två frontväggar på varje (E) sida och botten. Delarna limmas fast på bottenplattan och sidoväggarna. Delarna (E) ska vara identiska. Eftersom delarna är något högre än vad de är breda måste du se till att sätta dem åt rätt håll. De övre kanterna måste vara i jämnhöjd med sidoväggarna. Om delarna är korrekt placerade kan du skruva dem direkt genom vinkeljärnen.
Bygga lådor
Bygg fyra lådor för hålrummen i pallen. En låda kommer bestå av fem delar – bottenplatta (F), bakpanel (H), frontpanel (G) och två sidopaneler (I). Använd en 
Bygg och sätt i alla fyra lådorna
Sätt ihop alla fyra lådorna och placera dem sedan i hundsängen.























